浙江卡卡自动化
设备有限公司
首页
Home
关于公司
Nav
产品中心
Nav
技术资料
Nav
新闻动态
Nav
联系我们
Nav
丰富的生产经验,成熟的服务理念,公司拥有勇于创新的研发团队和技术一流的工匠师傅,专业化、个性化的产品定制,为您提供专业的离合器整体解决方案。
自动化设备专家
自动化设备专家
—— 国内离合器专业品牌
——
多年生产经验,浙江卡卡的诚信、实力和产品质量获得业界的认可。欢迎各界朋友莅临参观、指导和业务洽谈。
产品导航
CCB多片式系列离合器
DM分体式系列
DX块式系列离合器
TCB薄式系列离合器
TCB大扭矩系列
湿式系列离合器
离合器配件
产品详情
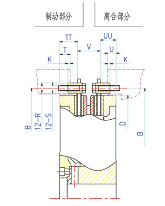
TCB-BB系列气动离合器制动器
产品详情
特点:
安装位置小
适用于包装、印刷、纺织等机械
参数对照表:
浙江卡卡自动化设备有限公司
首页
关于公司
产品中心
技术资料
新闻动态
联系我们